Products
製品情報
KLINGAGE 液面計用ガラス(水面計ガラス:JIS B8211)
液面計用反射ガラス
反射式液面計の原理は、反射ガラス(接液側の可視全域にわたり90°のプリズム溝が5本刻んである平板強化ガラス)が液面計本体の片側に装着されており、そのプリズム効果により、液相部では外側からの光線が吸収され結果として黒色となり、気相部では反射して銀色に見えることにより液位を表示します。
液位のみを監視する場合に向いています。界面の監視、液色の監視等には向いていません。
液面計用反射二色式Vカットガラス(Bi-KCガラス)
プリズム溝がV型に刻んであり、側面に赤色塗装を施し、気相部が赤色に反射し液面がより鮮明に区別できます。距離をへだてても液位が容易に判読できるので、御好評を博しています。
気相部
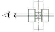
液相部液面計用透視ガラス
透視式液面計の原理は、液面計本体の両側に各1枚の透視ガラス(両面が平面の平板強化ガラス)をゲージカバーではさみ、通常背後に設置した照明器からの光を透過させ、その透過性の差を利用して、液位、界面位、液色等を監視します。
界面の監視、液色の監視、ガラスを腐食する流体の監視(マイカ板、フッ素樹脂等で、シールド可)する場合に向いています。
気相部
液相部
液面計ガラス寸法表
| 液面計用標準 ガラス寸法表(mm) |
||||
|---|---|---|---|---|
| ガラス 番手 |
ガラス 長さ |
ガラス幅 | ガラス 厚さ |
単位可視長さ |
| #1 | 115 | 34 | 17 | 90 |
| #2 | 140 | 34 | 17 | 115 |
| #3 | 165 | 34 | 17 | 140 |
| #4 | 190 | 34 | 17 | 165 |
| #S4 | 200 | 34 | 17 | 175 |
| #5 | 220 | 34 | 17 | 195 |
| #6 | 250 | 34 | 17 | 225 |
| #7 | 280 | 34 | 17 | 255 |
| #S7 | 300 | 34 | 17 | 275 |
| #8 | 320 | 34 | 17 | 295 |
| #9 | 340 | 34 | 17 | 315 |
| #10 | 400 | 34 | 17 | 375 |
反射ガラス
透視ガラス

