Products
製品情報
      - ホーム
 - 製品情報
 - 金属環融着サイトグラス クリンポート
 - ストレートネジ込み汎用品(KPS)
 
ストレートネジ込み汎用品(KPS)

KPS型
            ストレートネジ込み汎用品(KPS)
ストレートネジによる取付けモデルです。サイズはKPS-1Q(G1-1/4)、KPS-2(G2)を標準としております。 材質は炭素鋼、ステンレス鋼です。
クリンポート取付け用ソケット、ガスケットもご希望に際しまして各種材質製作用意しております。
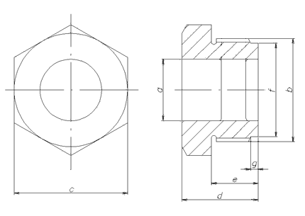
標準型クリンポートの仕様と定格表KPS型

| 型式 | a | b | c※ | d | e | f | g | 
|---|---|---|---|---|---|---|---|
| KPS-1Q | 25 | G1-1/4 | 46 | 31 | 19 | 38 | 3 | 
| KPS-2 | 40 | G2 | 65 | 43 | 27 | 55 | 5 | 








