Products
製品情報
- ホーム
- 製品情報
- 金属環融着サイトグラス クリンポート
- テーパーネジ込み汎用品(KPT)
テーパーネジ込み汎用品(KPT)

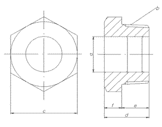
KPT型
テーパーネジによる取付けモデルです。サイズはKPT-1Q(R1-1/4)、KPT-2(R2)を標準としております。
材質は炭素鋼、ステンレス鋼です。
クリンポート取付け用ソケットもご希望に際しまして各種材質製作用意しております。
ご要望によりまして、サイズ:R1/2、R3/4のサイズも製作しております。
標準型クリンポートの仕様と定格表KPT型

| 型式 | a | b | c※ | d | e | f |
|---|---|---|---|---|---|---|
| KPT-1Q | 25 | R1-1/4 | 46 | 31 | 25 | 6 |
| KPT-2 | 40 | R2 | 65 | 43 | 33 | 10 |









